meÌåÓý¹ÙÍø

¹ØÓÚ¿ª¹ØÆµÂÊÐè˼Á¿µÄÒòËØ

¹ØÓÚ¿ª¹ØÆµÂÊÐè˼Á¿µÄÒòËØ

2020-08-31 15:36:06

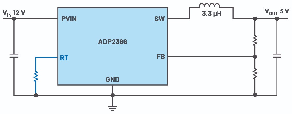
   Æ¾Ö¤ÆäÊý¾ÝÊÖ²áÊÖÒÕ¹æ¸ñ£¬£¬ £¬ £¬¿ª¹ØÎÈѹÆ÷ICÖÐÄÚÖõÄÕñµ´Æ÷ͨ³£¿£¿£¿£¿ÉÓÃÓڷdz£¿£¿£¿£¿íµÄƵÂʹæÄ£¡£¡£¡£¡£¡£¡£ÀýÈ磺µ¥Æ¬ADP2386½µÑ¹±ä»»Æ÷IC¿ÉÈ·±£Æä¿ª¹ØÆµÂÊÔÚÉ趨ֵµÄ¡À10%¹æÄ£ÄÚ¡£¡£¡£¡£¡£¡£ÆäËû³£ÓõĿª¹ØÎÈѹÆ÷ICÔòÖ¸¶¨ÎªÉ趨ֵµÄ¡À20%»ò¸ü¸ß¹æÄ£¡£¡£¡£¡£¡£¡£ÓÉÓÚADP2386¿ª¹ØÆµÂʾßÓСÀ10%µÄת±ä¹æÄ££¬£¬ £¬ £¬ÔÚ¼«¶ËÇéÐÎÏ£¬£¬ £¬ £¬ADP2386ʹÓÃRT½«¿ª¹ØÆµÂÊÉèÖÃΪ600 kHz£¬£¬ £¬ £¬¼´¿ÉÔÚ540 kHzºÍ660 kHzƵÂÊϾÙÐпª¹Ø×ª»»¡£¡£¡£¡£¡£¡£


¿ª¹ØÄ£Ê½µçÔ´  
ͼ1.ADP2386½µÑ¹±ä»»Æ÷£¬£¬ £¬ £¬Æä¿ª¹ØÆµÂÊÓɵç×èRTÉèÖÃ
 
        ÔÚÉè¼Æµç·ʱ£¬£¬ £¬ £¬±ØÐè˼Á¿µ½¿ª¹ØÆµÂÊ¿ÉÄÜ»áÓÐ20%µÄת±ä£¬£¬ £¬ £¬ÓÉÓÚÁ÷¾­µç¸ÐµÄ·åÖµµçÁ÷»áËæÏÖʵ¿ª¹ØÆµÂÊÓÐËù²î±ð£¬£¬ £¬ £¬Òò´Ë£¬£¬ £¬ £¬µç¸ÐµçÁ÷ÎÆ²¨»áÖ±½ÓÓ°ÏìÊä³öµçÑ¹ÎÆ²¨¡£¡£¡£¡£¡£¡£
 1598859168253356.jpg
ͼ2.ÊÜ¿ª¹ØÆµÂÊת±äÓ°ÏìµÄ·åµ½·åÏßȦµçÁ÷ÎÆ²¨



 
        ͼ2ÏÔʾÁË¿ª¹ØÆµÂʶԵç¸ÐµçÁ÷ÎÆ²¨µÄÓ°Ïì¡£¡£¡£¡£¡£¡£Í¼ÖУ¬£¬ £¬ £¬600 kHzµÄ±ê³Æ¿ª¹ØÆµÂÊÒÔÀ¶É«ÏÔʾ¡£¡£¡£¡£¡£¡£×îС(540 kHz)¿ª¹ØÆµÂÊÒÔ×ÏÉ«ÏÔʾ£¬£¬ £¬ £¬×î´ó(660 kHz)¿ª¹ØÆµÂÊÒÔÂÌÉ«ÏÔʾ¡£¡£¡£¡£¡£¡£ÔÚ600 kHzµÄ±ê³ÆÉèÖÃÆµÂÊÏ£¬£¬ £¬ £¬µ±ÎÈѹÆ÷ÔÚ540 kHzƵÂÊÏ¿ª¹ØÊ±£¬£¬ £¬ £¬¿ÉÒÔ¿´µ½·å·åÎÆ²¨µçÁ÷Ϊ1.27 A¡£¡£¡£¡£¡£¡£¿ÉÊÇ£¬£¬ £¬ £¬ÔÚ600 kHzµÄÏàͬƵÂÊÉèÖÃÏ£¬£¬ £¬ £¬¿ª¹ØÎÈѹÆ÷Ò²Äܹ»ÔÚ660 kHzƵÂÊÏ¿ª¹Ø£¬£¬ £¬ £¬ÏìÓ¦µÄÎÆ²¨µçÁ÷Ϊ1.05 A¡£¡£¡£¡£¡£¡£ÔÚ´ËÀýÖУ¬£¬ £¬ £¬220 mAµÄÏßȦµçÁ÷ÎÆ²¨²î±ð¿ÉÄÜÊÇÓÉÓÚµç·Öвî±ð×é¼þµÄ¿ª¹ØÆµÂÊת±äµ¼ÖµÄ¡£¡£¡£¡£¡£¡£ÕâÒѾ­Áè¼ÝÁËÕû¸öÔÊÐíµÄζȹæÄ£¡£¡£¡£¡£¡£¡£
        ¿ª¹ØÎÈѹÆ÷µÄÏÞÁ÷ÖµÉèÖñØÐè˼Á¿Õâ¸öÒòËØ¡£¡£¡£¡£¡£¡£·åÖµµçÁ÷±ØÐè×ã¹»µÍ£¬£¬ £¬ £¬²Å»ªÈ·±£ÔÚÕý³£ÔËÐÐʱ´ú²»»á¼¤»îÏÖÓеÄÈκιýÁ÷±£»£»£»¤¡£¡£¡£¡£¡£¡£
        Çë×¢ÖØ£¬£¬ £¬ £¬±¾Àýδ˼Á¿ËùÓÐÆäËû¿ÉÄÜ·ºÆðµÄת±äÒòËØ£¬£¬ £¬ £¬Èçµç¸ÐºÍµçÈÝֵת±ä¡£¡£¡£¡£¡£¡£
        ͼ3ÏÔʾÁ˲î±ðµÄµçÁ÷ÎÆ²¨×ª±äµÄÏìÓ¦Êä³öµçÑ¹ÎÆ²¨Öµ¡£¡£¡£¡£¡£¡£µç·Éè¼ÆÎª¿ª¹ØÆµÂÊΪ600 kHzʱ±¬·¢4.41 mVÎÆ²¨µçѹ¡£¡£¡£¡£¡£¡£ÔÚ540 kHz¿ª¹ØÆµÂÊÏ£¬£¬ £¬ £¬ÎƲ¨µçѹΪ5.45 mV£»£»£»ÔÚ660 kHz¿ª¹ØÆµÂÊÏ£¬£¬ £¬ £¬ÎƲ¨µçѹΪ3.66 mV¡£¡£¡£¡£¡£¡£



¿ª¹ØÄ£Ê½µçÔ´ 
ͼ3.ÔÚ¿ª¹ØÄ£Ê½ÎÈѹÆ÷ICÖУ¬£¬ £¬ £¬¿ª¹ØÆµÂÊת±äµ¼ÖµÄÊä³öµçÑ¹ÎÆ²¨×ª±ä
 
        ±¾ÀýÖУ¬£¬ £¬ £¬Ë¼Á¿µÄΨһ±äÁ¿¾ÍÊÇÔÊÐíµÄζȹæÄ£ÄÚ¿ª¹ØÆµÂʵÄת±ä¡£¡£¡£¡£¡£¡£ÔÚÏÖʵӦÓÃÖУ¬£¬ £¬ £¬¿ÉÄܱ£´æÐí¶àÆäËû±äÁ¿£¬£¬ £¬ £¬Èçµç¸ÐºÍµçÈݵÄÏÖʵֵת±ä¡£¡£¡£¡£¡£¡£ÕâЩÒàÊÜÊÂÇéζȵÄÓ°Ïì¡£¡£¡£¡£¡£¡£¿ÉÊÇ£¬£¬ £¬ £¬ÎÒÃÇÒ²¿ÉÒÔ¼ÙÉ裬£¬ £¬ £¬ÔÚ´ó´ó¶¼ÇéÐÎÏ£¬£¬ £¬ £¬¿ª¹ØÆµÂʵÄÏÖʵת±ä²»»áµÖ´ï¡À10%µÄÏÞÖµ¡£¡£¡£¡£¡£¡£Í¨³££¬£¬ £¬ £¬¿ª¹ØÆµÂÊ»áÔÚÖ¸¶¨¹æÄ£ÖÐÐĵĵ䷶ֵÖÜΧת±ä¡£¡£¡£¡£¡£¡£ÎªÁËϵͳµØË¼Á¿µçÔ´ÖеÄËùÓж¯Ì¬±äÁ¿£¬£¬ £¬ £¬ÎÒÃÇ¿ÉÒÔͨ¹ýÃÉÌØ¿¨ÂÞÆÊÎöÕÒµ½Ãյס£¡£¡£¡£¡£¡£ÆäÖвî±ð·ÖÁ¿ºÍ±äÁ¿²ÎÊýµÄת±äƾ֤Æä±¬·¢µÄ¸ÅÂʾÙÐмÓȨ£¬£¬ £¬ £¬²¢Ï໥¹ØÁª¡£¡£¡£¡£¡£¡£Ê¹ÓÃADI¹«Ë¾Ãâ·ÑÌṩµÄLTspice?·ÂÕæÈí¼þ¿É¾ÙÐÐÃÉÌØ¿¨ÂÞÆÊÎö¡£¡£¡£¡£¡£¡£

     meÌåÓý¹ÙÍø×Ô¶¯»¯ÎªÄúÌṩ¹¤Òµ×Ô¶¯»¯ÐÐÒµ¶àÖÖ½â¾ö¼Æ»®µÄÌṩ,°üÀ¨ÐÐÒµ¼Æ»®,²úÆ·¼Æ»®,Ó¦Óüƻ®,ÊÖÒռƻ®µÈ£¬£¬ £¬ £¬×ÊÖúÄúµÄÆóÒµÀû±ã¿ì½ÝµÄ´¦Öóͷ£ÊÂÇéºÍ»ñÊØÐÅÏ¢¡£¡£¡£¡£¡£¡£

meÌåÓý¹ÙÍø×Ô¶¯»¯ Ó¦ÓÃÊÖÒÕ

Å·Ä·Áú¹ÙÍøÎ÷ÃÅ×Ó¹ÙÍø
ABB¸»Ê¿µç»ú
̨´ïÈÕ±¾¶«Ö¥
Ï£ÍûÉ­À¼Ï£ÍûÉ­À¼
µ¤·ð˹°²´¨µç»ú
Î÷°²Î÷ÆÕĬÈÏÎÊÌâ__2022-09-29+10_44_25.jpeg
ĬÈÏÎÊÌâ__2022-09-29+10_44_42.jpeg¶«ÔªÌ¨°²
̨Í庣̩¿Ë°¬Ä¬Éú/ÄáµÃ¿Æ
ABÂÞ¿ËΤ¶ûÓ¢ÍþÌÚµçÆø
ÈýÁâµç»úGefran½Ü¸¥Â×¹ÙÍø

Ìì½òmeÌåÓý¹ÙÍø×Ô¶¯»¯¿Æ¼¼ÓÐÏÞ¹«Ë¾

ÊÛǰ£º152 0223 2226£¨Óí˾Àí£©

ÊÛǰ£º186 3088 2123£¨Áõ˾Àí£©

ÊÛǰ£º186 3087 8552£¨ÖÜ˾Àí£©

ÊÛǰ£º132 3342 3025£¨Ê·Ë¾Àí£©

×ù»ú£º022-25229668£¨×Ü»ú£©

µØµã£ºÌì½òÊб±³½Çøºì¿¤´óÏÃ1ºÅÂ¥9²ã


ÊÛǰ: ÄúºÃ£¬£¬£¬£¬½Ó´ý¹âÁÙ,ÎÒÃǽ«½ß³ÏΪÄúЧÀÍ   ÊÛºó: ÄúºÃ£¬£¬£¬£¬½Ó´ý¹âÁÙ,ÎÒÃǽ«½ß³ÏΪÄúЧÀÍ


µã»÷½øÈë²úÆ·ÖÐÐÄ

QQ¿Í·þ
¡¾ÍøÕ¾µØÍ¼¡¿